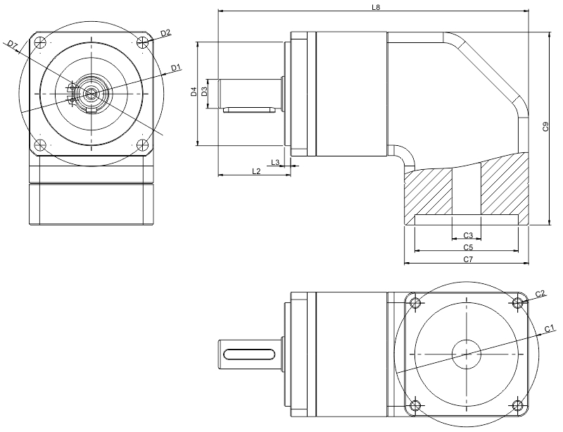
ZDWF serisi planet dişli redüktörlerin bir başka versiyonudur ve yüksek dayanıklılık özelliği sayesinde zor çalışma koşulları için uygundur. Standart ZDE/ZDF tipi ürünlere benzer şekilde yüksek verimlilik sağlar. Dayanıklı malzeme özelliğine sahip tasarımı sayesinde endüstriyel alanlarda ve sürekli çalışma ortamlarında daha iyi bir performans sunar.
