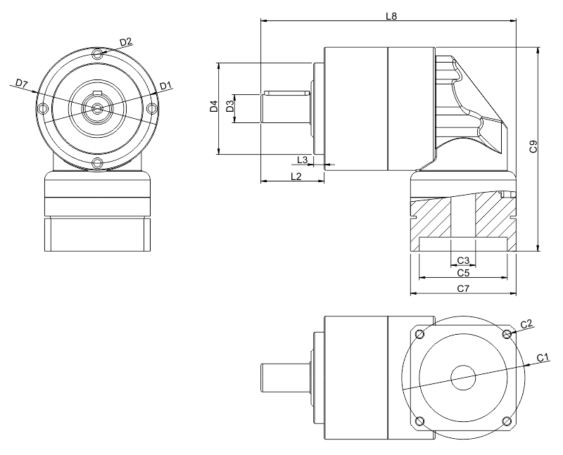
ZER serisi sarmal dişli redüktörler yüksek verimlilik, dayanıklılık ve hassas performans ihtiyacı duyduğunuz otomasyon uygulamalarınız için ideal çözümdür. Bu planet redüktör sarmal dişli yapısı ve kompakt tasarımı sayesinde yüksek tork iletim performansı sunar. Titreşimi ve gürültüyü en aza indirerek operasyonel verimliliği artırır.
